中央人民政府
|
陕西省人民政府
|
汉中市人民政府
长者浏览
无障碍
网站支持IPv6
登录
|
退出
注册
|
繁体
网站首页
魅力勉县
政府信息公开
互动交流
政务服务
专题专栏
网站首页
魅力勉县
政府信息公开
互动交流
政务服务
专题专栏
当前位置:
首页
>
政府信息公开
>
重点领域
>
环境保护
map
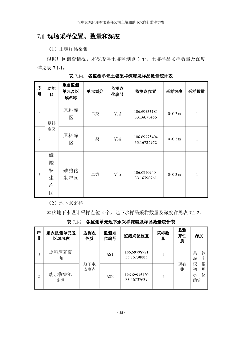
汉中远东化肥有限责任公司土壤和地下水自行监测报告
索引号:
ssthjjmxfj/2025-000001
发布日期:
2025年02月12日 11:28
来源:
汉中市生态环境局勉县分局
发文机构:
汉中市生态环境局勉县分局
内容概述:
访问量:
【字体:
大
中
小
】
转载
扫一扫在手机打开当前页
map